Hopp til innhold

Frakt 99,- | Rask levering

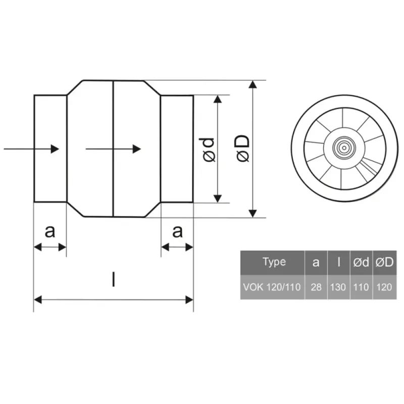
Varmebestandig kanalavtrekksvifte VOK-T 120/⌀110mm, 150 m³/t

Varmebestandige vifter er avgjørende for å opprettholde sikkerhet og effektivitet i miljøer med høy temperatur. Disse viftene er designet for å tåle ekstrem varme, og brukes ofte i industrielle ventilasjonssystemer, kjøkken og produksjonsanlegg. Enten de er installert som en innebygd kanalkomponent eller som en del av et større avtrekksanlegg, sikrer de kontinuerlig luftstrøm uten at det går på bekostning av ytelsen. Disse viftene er bygget av slitesterke, varmebestandige materialer, og bidrar til å beskytte utstyr og forbedre luftkvaliteten. Pålitelige og robuste, og de er en avgjørende del av enhver termisk styrings- og ventilasjonsstrategi der varme utgjør en alvorlig utfordring. Sikkerhet • Denne viften (VOK-T) er for distribusjon av varmluft opptil 150 grader Celsius. Mål temperaturen i røykrøret før du installerer denne enheten. • Denne viften (VOK-T) kan brukes i varmevekslere i peiser eller andre varmeanlegg. OPPMERKSOMHET • Viften (VOK-T) er ikke egnet for å suge ut røyk fra en brennende peis der røyktemperaturen kan nå opptil 250 grader. Viftene er utstyrt med en innebygd, stillegående elektrisk motor med dobbeltkapslede kulelager som garanterer 30 000 timer med feilfri drift ved horisontal eller vertikal installasjon. Huset, turbinen og bakspjeldet er produsert av aluminiumslegering eller glassfylt polyamid, noe som garanterer effektiv kjøling og bedre brannsikkerhet.   Spesifikasjoner Størrelse Vis mer informasjon 110 Vifter Vifter og ventilatorer  , Varmebestandige vifter ,  Høytemperatur VOK-kanalvifter Informasjon Type Aksial kanal Luftstrøm (m³/t) 150 Støynivå (dB) 39 Strømforbruk (W) 18 Spenning / Frekvens (V/Hz) 230 Maksimal driftstemperatur (°C) 150 Inntrengningsbeskyttelse (IP) 44 Garanti (år) 3

1.680,-

På lager
Rask levering
Fast fraktpris
Kvalitetsprodukter

Informasjon

Varmebestandige vifter er avgjørende for å opprettholde sikkerhet og effektivitet i miljøer med høy temperatur. Disse viftene er designet for å tåle ekstrem varme, og brukes ofte i industrielle ventilasjonssystemer, kjøkken og produksjonsanlegg. Enten de er installert som en innebygd kanalkomponent eller som en del av et større avtrekksanlegg, sikrer de kontinuerlig luftstrøm uten at det går på bekostning av ytelsen. Disse viftene er bygget av slitesterke, varmebestandige materialer, og bidrar til å beskytte utstyr og forbedre luftkvaliteten. Pålitelige og robuste, og de er en avgjørende del av enhver termisk styrings- og ventilasjonsstrategi der varme utgjør en alvorlig utfordring.

Sikkerhet

• Denne viften (VOK-T) er for distribusjon av varmluft opptil 150 grader Celsius. Mål temperaturen i røykrøret før du installerer denne enheten.
• Denne viften (VOK-T) kan brukes i varmevekslere i peiser eller andre varmeanlegg.

OPPMERKSOMHET

• Viften (VOK-T) er ikke egnet for å suge ut røyk fra en brennende peis der røyktemperaturen kan nå opptil 250 grader.
Viftene er utstyrt med en innebygd, stillegående elektrisk motor med dobbeltkapslede kulelager som garanterer 30 000 timer med feilfri drift ved horisontal eller vertikal installasjon.
Huset, turbinen og bakspjeldet er produsert av aluminiumslegering eller glassfylt polyamid, noe som garanterer effektiv kjøling og bedre brannsikkerhet.

 

Spesifikasjoner
StørrelseVis mer informasjon
110
Vifter
Informasjon
Type
Aksial kanal
Luftstrøm (m³/t)
150
Støynivå (dB)
39
Strømforbruk (W)
18
Spenning / Frekvens (V/Hz)
230
Maksimal driftstemperatur (°C)
150
Inntrengningsbeskyttelse (IP)
44
Garanti (år)
3